Flat faced electromagnets are the answer for the superior holding power of ferrous materials. These small and flat magnets are designed to economically and efficiently pick up metals in environments where safety is paramount and automation is highly considered.
It reduces workplace injuries and accidents, ensuring zero downtime in your operations. Magnetool, Inc. has a wide range of small electromagnet tools in round and rectangular shapes to suit your various applications.
When used in conjunction with automation compatible controllers, it allows the versatility to fine tune the system for rapid pick and place operations. Controllers for electromagnets can provide variable voltage for lifting thin sheets from a stack. AU Series controllers provide automatic drop and release functions for successful automation applications using small electromagnets. Contact Magnetool with your application details to help determine the proper equipment for each situation.
Flat Faced Electromagnet Products from Magnetool
Flat faced magnets are suitable for flat and smooth materials in contact with the entire magnet face. Nevertheless, this tool gives you the freedom to control the electrical current running through the magnet at any given time, giving you the power to deliver the strength needed for a particular application. Bipolar and other style electromagnets may be better suited for round and irregular shaped products. Contact Magnetool for recommendations.
Features:
- Round electromagnets: Flat round magnets have lbs. pull ranges from 4 to 1000 with multiple voltage options for each model.
- Rectangular electromagnet: Pound pull selection ranges from 200 to 5000, with different voltage options for each model.
- Electromagnetic current: Utilizes D.C. current to hold and release ferrous material on command.
- Most standard electromagnets are 100% duty cycle for continuous operation.
These small flat magnets have a concentrated magnetic force at the magnet’s face for superior holding strength. It ensures the product won’t come loose and cause damages or injuries while moving or handling.
Common Applications of Small & Flat Faced Magnets
Flat faced electromagnets are used in numerous industrial applications to securely hold materials during transportation or production. They can pick up, move, and drop off any flat ferrous material, such as steel plates and panels.
Typical applications include the following:
- Automated steel parts handling system
- Holding ferromagnetic workpieces during the assembly or machining process
- Industrial lifting magnets
- Custom size and shape electromagnets available
- Magnet controllers can be provided for rapid automatic parts handling
- Small and large electromagnets and systems for any size, shape, and weight parts
A flat faced rectangular electromagnet has specific applications which a flat round electromagnet can’t achieve and vice versa. It’s best to determine the type of small electromagnet you require based on your daily operation to choose the right shape, watts, and lbs. pull that will improve your productivity.
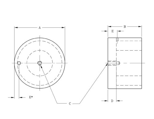
Small Round Flat-Faced Electromagnets - VDC Input
BEFORE ORDERING:
Please specify which voltage you need.
Simply add "-XXXV" Voltage Suffix to Model Number you're requesting. Most model numbers are available in 12 VDC, 24 VDC, or 110VDC
For example: EM-R4-110V
Note: All dimensions in inches
| Model | Diameter | Height | Thread | Thread Depth | Location of Leads | Watts | Lbs Pull | Net Weight |
| A | B | C | D | E | ||||
| EM-R50 | 1/2 | 1-1/2 | 6-32 | 3/8 | 3/16 | 1.4 | 4 | 1.5 oz |
| EM-R75 | 3/4 | 1-1/4 | 10-32 | 3/8 | 3/16 | 1.5 | 12 | 1.7 oz |
| EM-R1 | 1 | 1-1/4 | 10-32 | 3/8 | 3/16 | 4.5 | 20 | 2.6 oz |
| EM-R1A | 1 | 23/32 | 10-32 | 3/8 | 1/8 | 1 | 14 | 1.9 oz |
| EM-R125 | 1-1/4 | 1-1/4 | 1/4-20 | 1/2 | 1/4 | 3.3 | 50 | 4.2 oz |
| EMR-175 | 1-3/4 | 1-5/8 | 1/4-20 | 1/2 | 3/8 | 3 | 160 | 11 oz |
| EM-R2 | 2 | 1-5/8 | 1/4-20 | 1/2 | 1/4 | 5.2 | 220 | 1 lb |
| EM-R3 | 3 | 2 | 2 (2) 1/4-20 | 1/2 | 3/8 | 12 | 500 | 3-1/4 lb |
| EM-R3-1/2 | 3-1/2 | 1-1/2 | (2) 1/4-20 | 1/2 | 5/16* | 8 | 650 | 3-1/4 lb |
| EM-R4 | 4 | 3 | (2) 3/8-16 | 5/8 | 3/8* | 33 | 1000 | 9 lbs |
| EM-R6B | 6 | 1-1/4 | (2) 1/4-20 | 1/2 | 7/8* | 7.8 | 1000 | 8 lbs |
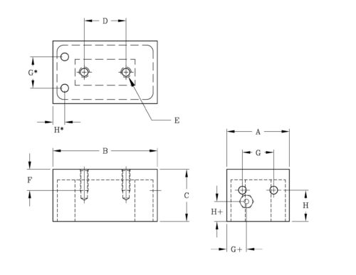
Small Rectangular Electromagnets VDC Input
BEFORE ORDERING:Please specify which voltage you need.
Simply add "-XXXV" Voltage Suffix to Model Number you're requesting. Most model numbers are available in 12 VDC, 24 VDC, or 110VDC
For example: EM-667-24V
Note: All dimensions in inches
| Model | Width (inches) | Length | Height | Mounting | Thread | Thread Depth | Location of Leads | Watts | Lbs. Pull | Net Weight | |
| A | B | C | D | E | F | G | H | ||||
| EM-622 | 1-1/2 | 2-1/2 | 1-1/4 | 1 | 10-32 | 3/8 | 3/4 | 3/4 | 5 | 175 | 1 lb |
| EM-622-10W | 1-1.2 | 2-1/2 | 1-1/4 | 1 | 10-32 | 3/8 | 3/4 | 3/4 | 11 | 200 | 1 lb |
| EM-815 | 2-1/2 | 2-1/2 | 1-1/2 | 3/4 | 1/4-20 | 1/2 | 1-3/4* | 3/8* | 8 | 450 | 2 lbs |
| EM-711 | 2-1/2 | 4-1/2 | 2 | 2 | 1/4-20 | 1/2 | 1/2 | 3/4 | 12 | 800 | 5 lbs |
| EM-667 | 3 | 6 | 2 | 3 | 3/8-16 | 1/2 | 2 | 1 | 37 | 1200 | 11 lbs |
| EM-476 | 4 | 8 | 2-1/2 | 4 | 3/8-16 | 3/4 | 1-1/4 | 1-1/4 | 42 | 2000 | 18 lbs |
| EM-612 | 6 | 12 | 3-1/2 | 3 | 1/2-13 | 1 | 4-3/4 | 1-1/2 | 65 | 5000 | 54 lbs |
Benefits of Using a Flat Faced Electromagnet in Your Industry
Complete control is imperative in numerous industrial operations for efficiency and safety. Using round electromagnets can improve security and safety in your daily process, especially for workplaces where handling ferrous flat and smooth metals are common.
Due to its effectiveness and simplicity can also be incorporated into automated applications and as an alternative to mechanical devices. Furthermore, manual operation is also applicable in many applications for effortless materials handling. At the same time, small flat magnets require minimal maintenance, so you can expect less downtime and delays in your production process.
High-Grade Round & Rectangular Flat Faced Electromagnet from Magnetool
Beginning in 1962 Magnetool created the first small electromagnets in conjunction with the burgeoning robotics industry for automotive parts production. Prior to that time small parts were loaded by hand, electromagnets were used only for large loads handled with hoists. Our small electromagnets set the standard, often imitated, never equalled.
Enhance your workplace operations and improve your different processes with flat faced electromagnets from Magnetool, Inc. We’re dedicated to providing products to make your daily production process more effective and convenient.
We carry a range of round and rectangular flat faced electromagnets to fit your specific requirements. If you have questions or concerns about our products, don’t hesitate to contact us today. Request a quote, and we’ll find a cost-effective solution for you.
Made in USA 

